
高压中心出水系统
HPCS
冷却高压输送系统
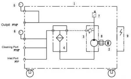
七洋空油壓HPCS高压中心出水专为工具机铣床、车床和金属切削等众多产业提供的高压冷却过滤系统,最高压力70 bar。使用HPCS系拱可提高加工的表面精度、延长刀具的寿命,并可降低切削过程中所产生的高温。在加工过程中提高速度及进给率,提高整体加工品质与效率。
HPCS系统切削液流量为20 l/m,最大压力70 bar,搭配3HP的马达及隔膜柱塞泵组。系统配有错误信号灯号,当脏污信号亮起时,代表PP过滤袋须更换。运转前未避免轴封受损,袋式过滤器应先注满切削液。
产品特性
- 控制加工铁屑。
- 提高加工精度。
- 延长刀具寿命。
- 提升加工效能。
产品规格
| 电压/频率 | 220/380V 50/60Hz | |
|---|---|---|
| 马达规格 | 3HP / 6 Poles | |
| 最大负载 | 220 V | 9.7 A |
| 380 V | 5.6 A | |
| 最大压力 | 70 bar | |
| 切削液流量 | 20 lpm, 1.2 m³/h | |
| PP滤袋 | 20 um | |
| 卧式尺寸 | 1200 x 600 x 950 mm | |
| 立式尺寸 | 900 x 600 x 1150 mm | |
| 重量(kg) | 卧式 | 240 |
| 立式 | 250 | |
- 产品型录
- 关联产品
变频油压单元系统
7EP
七洋空油壓7EP 节能变频油压单元系统适用于需长时间工作运转的工具机产业及其他产业机械应用。此油压单元系列于一般油压单元加装变频控制器驱动,降低整体电力损耗及温升,操作及设定非常简易。
客制化油压动力单元系统
七洋空油壓以多年的经验与专业,提供客户完整的油压设计及系统需求。油压单元系统的作用为透过改变压力的强度增大作用力。一个完整的油压系统包含五个部分,动力元件、执行元件、控制元件、辅助元件及液压油。油压系统被机械设备广泛应用,其重要性就如同人的心脏一样给予机器必要的传递动力与运作能力。
热门产品







