
紧凑型油压单元
7SP
七洋空油壓7SP 油压单元系列属于紧凑型油箱广泛使用于工具机产业及其他产业机械应用。此油压单元系列最主要特色为节能提升、空间节省、易于维护和低温升。
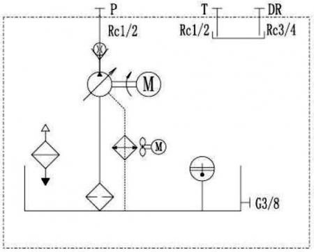
7SP系列油箱主要搭配七洋自制的VUP湿式电机泵组,高效能马达与叶片泵特殊联接方式的应用,节能效果及寿命比起七洋传统油压单元大幅提升。
7SP有两种油箱规格10L/20L,其零部件的配置结构紧凑,节省整体空间亦大幅降低维护方面的难度。其他标配的零部件包括油冷装置、油面计、压力表、注油器、过滤器和排油口。其他功能及需客制化油路规划或配置,可油七洋空油壓团队提供相关服务。
产品特性
- 搭配七洋自制湿试电压泵组。
- 节能提升。
- 节省空间。
- 高效率、低温升。
- 维护简单。
产品规格
| 型号 | 7SP-*-*-0-*-10 | 7SP-*-*-1-*-10 |
|---|---|---|
| 油箱容量(L) | 10 / 20 | 10 / 20 |
| 马达规格 | 0.75 / 1.5 kW | 1.5 / 2.2 kW |
| 最大流量 | 14.5 l/m | 29 l/m |
| 最高压力 | 80 bar | 80 bar |
- 产品型录
- 关联产品
变频油压单元系统
7EP
七洋空油壓7EP 节能变频油压单元系统适用于需长时间工作运转的工具机产业及其他产业机械应用。此油压单元系列于一般油压单元加装变频控制器驱动,降低整体电力损耗及温升,操作及设定非常简易。
高压中心出水系统
HPCS
七洋空油壓HPCS高压中心出水专为工具机铣床、车床和金属切削等众多产业提供的高压冷却过滤系统,最高压力70 bar。使用HPCS系拱可提高加工的表面精度、延长刀具的寿命,并可降低切削过程中所产生的高温。在加工过程中提高速度及进给率,提高整体加工品质与效率。
客制化油压动力单元系统
七洋空油壓以多年的经验与专业,提供客户完整的油压设计及系统需求。油压单元系统的作用为透过改变压力的强度增大作用力。一个完整的油压系统包含五个部分,动力元件、执行元件、控制元件、辅助元件及液压油。油压系统被机械设备广泛应用,其重要性就如同人的心脏一样给予机器必要的传递动力与运作能力。
热门产品







