
モジュラースロットルチェックバルブ
MTC-02、MTC-03、MTC-04
モジュラーフローレギュレータチェックバルブ
Seven Ocean HydraulicsMTC シリーズ バルブは、アクチュエータの速度制御に使用されます。これは、流量の絞りによってシステム内の一方向の流れを制御し、反対方向への自由な流れを可能にすることを目的としています。
スロットル チェック機能は、ポート A または B で単動バルブとして、またポート A と B の両方を制御するダブル スロットルとして利用でき、サイズ 02、03、04 で利用できます。ポート P のスロットルもサイズ 02 と 03 で利用できます。これらのバルブは、メーターインまたはメーターアウト スロットル アプリケーションに使用できます。
流量調整は、手動ノブまたはセット スクリューを調整することで行えます。時計回りに回すと絞りが大きくなり、流量が減少します。
製品の特徴
● 3種類の取り付けパターンを用意
MTC-02: NG6 / セトップ-3 / NFPA-D03
MTC-03: NG10 / セトップ-5 / NFPA-D05
MTC-04: NG16 / セトップ-7 / NFPA-D07
● サンドイッチプレートスタッキング設計。
● ハンドルノブまたはマイナスネジによる流量調整。
● MTC-02 シングル、ポート P で動作、ダブル、ポート A、B、または A と B で動作。
● MTC-03 シングル、ポート P で動作、ダブル、ポート A、B、または A と B で動作。
● MTC-04 ダブル、ポート A、B、または A と B に作用します。
● 最大作動圧力: 320 Bar / 4570 PSI
● Q 最大流量: MTC-02: 50 lpm / 13.2 gpm; MTC-03: 100 lpm / 26.4 gpm; MTC-04: 300 lpm / 79.3 gpm
●詳細はカタログをご覧ください。
製品仕様
| MTC-02 | MTV-03 | MTV-04 | ||
|---|---|---|---|---|
| 最大流量 | 50 lpm / 13.2 gpm | 100 lpm / 26.4 gpm | 300 lpm / 79.3 gpm | |
| 最大動作圧力 | 320 バール / 4570 PSI | |||
| チェックバルブクラッキング圧力 - 単動ポート P | 0.4 バール / 5.7 PSI | - | ||
| チェックバルブクラッキング圧力 - シングル/ダブルアクティングポートA、B | 0.8 バール / 11.4 PSI | 1.0 バール / 14.3 PSI | ||
| 周囲温度範囲 | -20℃~50℃ | |||
| 油圧作動油温度範囲 | -20℃~70℃ | |||
| 取り付けパターン | ISO 4401-AB-03-4-A | ISO 4401-AC-05-4-A | ISO 4401-AD-07-4-A | |
| 重量(kg) | Pタイプ | 1.0 | 3.0 | - |
| Wタイプ | 1.3 | 3.1 | 6.9 | |
| Aタイプ | 1.2 | 3.0 | 6.7 | |
| B型 | 1.2 | 3.0 | 6.7 | |
製品画像
- NG10 / Cetop-5 / D05 モジュラースタックスロットルチェックバルブ。
- NG16 / Cetop-7 / D07 モジュラースタックスロットルチェックバルブ。
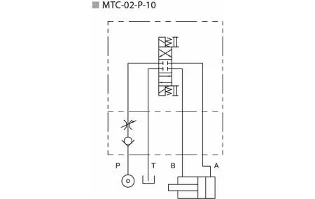
- 油圧構成 - MTC - スロットル チェック バルブ、ポート P で単動。
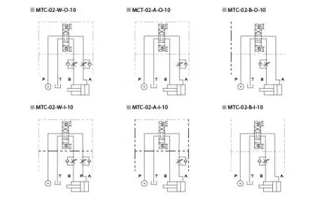
- 油圧構成 - MTC - スロットル チェック バルブ、ポート A および/または B で単動または複動。
- 製品資料
NG6 Cetop-3 D03- ポート P スロットル チェック バルブ パンフレット
Seven Ocean Hydraulicsポート P の単動スロットル チェック バルブ パンフレット - MTC-02。
NG6 Cetop-3 D03- ポート A および/または B スロットル チェック バルブ パンフレット
Seven Ocean HydraulicsMTC-02 ポート A および/または B のシングル/ダブル スロットル チェック バルブ パンフレット - MTC-02。
NG10 Cetop-5 D05- ポート P スロットル チェック バルブ パンフレット
Seven Ocean HydraulicsMTC-03 シングル アクティング ポート P スロットル チェック バルブ パンフレット - MTC-03。
NG10 Cetop-5 D05- ポート A および/または B スロットル チェック バルブ パンフレット
Seven Ocean HydraulicsMTC-03 ポート A および/または B のシングル/ダブル スロットル チェック バルブ パンフレット - MTC-03。
NG16 Cetop-7 D07- ポート A および/または B スロットル チェック バルブ パンフレット
Seven Ocean HydraulicsMTC-04 ポート A および/または B のシングル/ダブル スロットル チェック バルブ パンフレット - MTC-04。
- 関連製品
モジュラースロットルバルブ
MTV-02、MTV-03
Seven Ocean HydraulicsMTV シリーズ バルブは、アクチュエータの速度を制御し、その他の流量制御バルブの操作やアプリケーションに使用されます。
ベストセール
人気商品


ベーンポンプモーターユニット
Seven Ocean VUPシリーズのベーンポンプモーターユニットは、高効率モーターを搭載した可変容量ベーンポンプを採用した一体型油圧モーターポンプユニットです。
続きを読む




