
เช็ควาล์วแบบโมดูลาร์
เอ็มซีวี-02, เอ็มซีวี-03, เอ็มซีวี-04
เช็ควาล์วแบบแยกส่วนซีรีส์ MCV ของ Seven Ocean เป็นเช็ควาล์วแบบควบคุมโดยตรงที่ให้การไหลอิสระในทิศทางเดียวและป้องกันการไหลย้อนกลับในวงจร
มีตัวเลือกแรงดันแตก 3 แบบคือ 0.4, 3.5 และ 5 บาร์ และสามารถควบคุมพอร์ตได้ 3-5 แบบ ขึ้นอยู่กับขนาดของวาล์ว
คุณสมบัติผลิตภัณฑ์
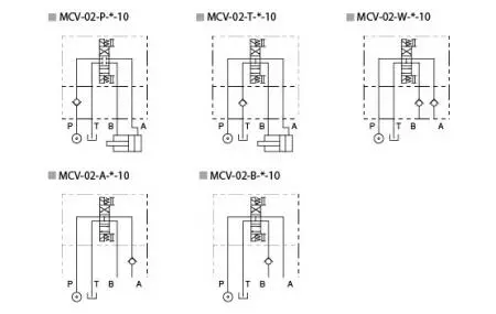
● มีให้เลือกรูปแบบการติดตั้ง 3 แบบ
MCV-02: NG6 / ซีท็อป-3 / NFPA-D03
MCV-03: NG10 / ซีท็อป-5 / NFPA-D05
MCV-04: NG16 / ซีท็อป-7 / NFPA-D07
● การออกแบบการวางซ้อนแผ่นแซนวิช
● มีตัวเลือกแรงกดในการแตกของสปริง 3 แบบ
● กำหนดค่าเพื่อควบคุมพอร์ต P, T, A, B หรือ A &B
● แรงดันการทำงานสูงสุด: 320 บาร์ / 4570 PSI
● อัตราการไหล Q max: MCV-02: 50 ลิตรต่อนาที / 13.2 แกลลอนต่อนาที; MCV-03: 100 ลิตรต่อนาที / 26.4 แกลลอนต่อนาที; MCV-04: 300 ลิตรต่อนาที / 79.3 แกลลอนต่อนาที
● ดูรายละเอียดเพิ่มเติมได้ในแคตตาล็อก
ข้อมูลจำเพาะผลิตภัณฑ์
| เอ็มซีวี-02 | เอ็มซีวี-03 | เอ็มซีวี-04 | ||
|---|---|---|---|---|
| อัตราการไหลสูงสุด | 50 ลิตรต่อนาที / 13.2 แกลลอนต่อนาที | 100 ลิตรต่อนาที / 26.4 แกลลอนต่อนาที | 300 ลิตรต่อนาที / 79.3 แกลลอนต่อนาที | |
| แรงดันใช้งานสูงสุด | แรงดัน 320 บาร์ / 4570 ปอนด์ต่อตารางนิ้ว | |||
| แรงดันการแตกร้าวของสปริง (บาร์) | 1: 0.4 (5.7 ปอนด์ต่อตารางนิ้ว) | |||
| 2: 3.5 (50 ปอนด์ต่อตารางนิ้ว) | ||||
| 3: 5.0 (71 ปอนด์ต่อตารางนิ้ว) | ||||
| ช่วงอุณหภูมิแวดล้อม | -20°C ~ 50°C | |||
| ช่วงอุณหภูมิของเหลวไฮดรอลิก | -20°C ~ 70°C | |||
| รูปแบบการติดตั้ง | ISO4401-AB-03-4-A ใบรับรอง | อิสโอ 4401-AC-05-4-A | ISO4401-AD-07-4-A ใบรับรอง | |
| น้ำหนัก (กก.) | ประเภท พี | 0.97 | 2.8 | 4.5 |
| ประเภทที | 0.97 | 2.8 | 4.5 | |
| ประเภทเอ | 1.2 | 3.6 | 4.5 | |
| ประเภทบี | 1.2 | 3.6 | - | |
| ประเภท W | 1.4 | - | - | |
รูปภาพสินค้า
- NG10 / Cetop-5 / D05 วาล์วตรวจสอบสแต็กโมดูลาร์
- การกำหนดค่าระบบไฮดรอลิก - MCV-02 - เช็ควาล์วควบคุมโดยตรง
- เอกสารผลิตภัณฑ์
- สินค้าที่เกี่ยวข้อง
เช็ควาล์วควบคุมแบบโมดูลาร์
เอ็มพีซี-02, เอ็มพีซี-03
Seven Ocean Hydraulicsเช็ควาล์วควบคุมแบบนำร่องซีรีส์ MPC มีฟังก์ชันตรวจสอบแบบคู่ในพอร์ต A และ B วาล์วเหล่านี้ทำให้สามารถไหลผ่านท่อบริการ A หรือ B หนึ่งท่อหรือทั้งสองท่อ และให้การไหลไหลไปในทิศทางตรงข้ามผ่านท่อบริการอีกท่อโดยใช้เช็คควบคุมแบบนำร่อง หากมีแรงดันในท่อทำงานท่อหนึ่ง ท่อตรวจสอบจะเปิดอยู่บนท่อทำงานอีกท่อหนึ่ง
วาล์วตรวจสอบแบบควบคุมด้วยนักบินชนิดลดแรงอัดแบบโมดูลาร์
เอ็มพีดี-02, เอ็มพีดี-03, เอ็มพีดี-04
Seven Ocean Hydraulicsวาล์วซีรีส์ MPD มีลักษณะคล้ายกับซีรีส์ MPC ตรงที่วาล์วลดความดันจะมีปุ่มอัดแบบผสมซึ่งช่วยให้ระบบ "ลดความดัน" หรือเปิดวาล์วก่อนที่จะเปิดจริง
สินค้าขายดี


ชุดมอเตอร์ปั๊มใบพัด
ชุดมอเตอร์ปั๊มใบพัด Seven Ocean VUP Series เป็นชุดปั๊มมอเตอร์ไฮดรอลิกแบบบูรณาการที่ใช้ปั๊มใบพัดแบบปริมาตรแปรผันพร้อมมอเตอร์ประสิทธิภาพสูง
อ่านเพิ่มเติม
การประกอบวาล์วซ้อนโมดูลาร์
วาล์วสแต็กโมดูลาร์ได้รับการออกแบบมาเพื่อติดตั้งระหว่างวาล์วทิศทางและพื้นผิวการติดตั้ง...
อ่านเพิ่มเติม




